Un Turbopropulseur pour avions légers...
- Philippe Dejean
- Pilote Professionnel

- Messages : 1102
- Enregistré le : 29 juin 2005 14:15
Re: Un Turbopropulseur pour avions légers...
Bonjour Damien,
Je comprends bien que la conception prend du temps.
En général, quand on arrive enfin à "la" vraie bonne solution évidente de simplicité, on est passé par toutes sortes de versions précédentes qui semblent a postériori, délirantes de "compliquance".
Ta nouvelle version est effectivement bien meilleure à mon humble avis. A part le fait que tu es passé de 2 à 4 blocs échangeurs, tu es arrivé à une solution très proche de celle que j'essayais assez maladroitement de décrire dans mon mail précédent... Reste à ajouter les canaux d’arrivée d’air comprimé et de retour d’air réchauffé, et de voir si c'est toujours bon.
Il me semble que les échangeurs n'ont pas besoin d'avoir leur face parallèle à l'axe du moteur : On pourrait peut être réduire un peu la section du moteur en gardant les faces des canaux parallèle à l'axe du moteur... (enfin, ce n'est qu'une idée qui doit être passée au crible de l'analyse de la facilité de maintenance, etc.)
Les pertes de charges sont peut être assez limitées du fait des sections de canaux amont importantes, mais il me semble quand intéressant de soigner ce point pour deux raisons.
- Le rendement global (exprimé en BSFC ou autre) doit être le meilleur possible, et en particulier pouvoir se mesurer à celui des diesels rapides tant pour les versions industrielles que pour les versions aéronautiques (Diesels Wilksch ou Deltahawk).
- A pertes de charges égales, et à pression de travail égale, le tuyau de section le plus faible sera toujours le plus léger...
Bons vols
Je comprends bien que la conception prend du temps.
En général, quand on arrive enfin à "la" vraie bonne solution évidente de simplicité, on est passé par toutes sortes de versions précédentes qui semblent a postériori, délirantes de "compliquance".
Ta nouvelle version est effectivement bien meilleure à mon humble avis. A part le fait que tu es passé de 2 à 4 blocs échangeurs, tu es arrivé à une solution très proche de celle que j'essayais assez maladroitement de décrire dans mon mail précédent... Reste à ajouter les canaux d’arrivée d’air comprimé et de retour d’air réchauffé, et de voir si c'est toujours bon.
Il me semble que les échangeurs n'ont pas besoin d'avoir leur face parallèle à l'axe du moteur : On pourrait peut être réduire un peu la section du moteur en gardant les faces des canaux parallèle à l'axe du moteur... (enfin, ce n'est qu'une idée qui doit être passée au crible de l'analyse de la facilité de maintenance, etc.)
Les pertes de charges sont peut être assez limitées du fait des sections de canaux amont importantes, mais il me semble quand intéressant de soigner ce point pour deux raisons.
- Le rendement global (exprimé en BSFC ou autre) doit être le meilleur possible, et en particulier pouvoir se mesurer à celui des diesels rapides tant pour les versions industrielles que pour les versions aéronautiques (Diesels Wilksch ou Deltahawk).
- A pertes de charges égales, et à pression de travail égale, le tuyau de section le plus faible sera toujours le plus léger...
Bons vols
Les fourmis sont des guêpes comme les autres !
Re: Un Turbopropulseur pour avions légers...
SalutFAUVET Damien a écrit :Et oui, le moteur à eau, c'est comme le mouvement perpétuel : ça n’existe pas. Tout simplement parce-que réaliser une électrolyse consomme plus d’énergie qu’elle n’en produit sous forme d’hydrogène (sans compter le rendement du moteur qui brûle cet hydrogène). Le rendement d’un tel dispositif est négatif, il ne tournera pas…même pas à vide.![]()
Et a part ça, vous les trouvez comment les projets de turborpops des Ricains... un peu gros pour un Emeraude (sauf l'Allison 250 peut-être...).
Je reviens un peu sur le sujet suite à un article paru dans le parisien donc voici le lien --> http://www.leparisien.fr/seine-et-marne ... 622547.php
C'est un début vers le tout hydrogène non, dans quelques dizaine d'années peut être ?
La société en question --> http://www.kit-hydrogene.com
Un avion Piel, sinon rien ....
- Philippe Dejean
- Pilote Professionnel

- Messages : 1102
- Enregistré le : 29 juin 2005 14:15
Re: Un Turbopropulseur pour avions légers...
Bonjour,
Tout est question d'enrobage !
1/ C'est quoi
Comme toujours, ajouter de l'eau dans un moteur thermique avec de un peu de "tripaille" supplémentaire, mais rien ne laisse voir qu'on puisse arriver à 100% d'eau
2/ Rôle de l'eau
Le rôle est double :
- Principalement diminuer la température de flamme, ce qui tend à réduire les pertes de chaleur au niveau de la culasse et du piston, une partie de cette chaleur étant transformée en dilatation de vapeur et donc en pression utile. Ce phénomène n'est intéressant qu'à des niveaux de charges particuliers (surtout à forte pression d'admission et à faible vitesse de rotation - ce qui est le cas des moteurs d'avions légers, mais l'eau, c'est lourd...)
- En jouant sur la dissociation de l'eau en Hydrogène et Oxygène (produit par électro/pyro/cata... -on ne sait plus trop- lyse en utilisant à la fois un apport électromagnétique et la chaleur de l'échappement) on pourrait (je reste au conditionnel) produire un plasma d'hydrogène et d'oxygène activés (ions dont le nuage électronique est en déséquilibre thermodynamique) particulièrement réactif pour aider à brûler... les imbrûlés.
3/ Le rendement global.
- Pour certains régimes, on gagne a injecter de l'eau (premier rôle ci- dessus)
- Pour que le second rôle soit rempli, il faudrait que la génération d'hydrogène se fasse avec un rendement par rapport à l'apport électrique (l'apport de chaleur d'échappement étant considéré comme gratuit) qui surcompense le rendement de l'alternateur, et celui du moteur thermique qui l'entraîne (disons 20% donc mieux que 500% hydrogène/électricité, ce qui reste, pour le moins, à prouver !)
- Il y a d'autres manières de récupérer l'énergie des imbrûlés : les brûler dans un pot catalytique inserré entre le moteur et la roue chaude d'un turbo avec un moteur en mode turbo-compound par exemple... (mais là encore, il y a probablement plus à perdre en ne profitant pas de l'énergie des "bouffées" de surpression des gaz d'échappement qu'à gagner par l'augmentation de température due au complément d'oxydo-réduction !)
4/ l'intérêt aéronautique:
Même si ce système était intéressant pour un véhicule routier, le poids du système supplémentaire et de l'eau grève forcément le devis de masse de l'avion.
La spirale des masse et des puissances va en général très loin...
5/ Manque de sérieux notoire.
- Même avec beaucoup de bonne volonté, les explications disponibles sur le site sont peu claires.
- Les calculs de rendement sont pour le moins simplistes : Si une voiture parcourt 1200 km avec le système au lieu de 800 km sans le système, ça ne fait pas forcément une augmentation de rendement de 33% (1200-800)/1200 ! (Il faudrait comparer les résultats au banc (33% c'est ce que peut apporter une conduite souple par rapport à une conduite heurtée, ou une réduction de vitesse de 17% - de 90 à 75 km/h par exemple, ou un savant mélange des deux...)
- Les fautes d'orthographe complètent bien le tableau...
- La seule chose claire, finalement, c'est qu'on peut acheter (cher à mon avis) un kit avec l'espoir que ça marche...
(Quand on sait que le système pantone à fait l'objet de procès de la part d'utilisateurs déçus... BOF !)
Bref, je suis, une fois encore, pas du tout convaincu.
Bons vols
Philippe Dejean
Tout est question d'enrobage !
L'exemple ci-dessus est typique du buzz du moteur à eau :="cp1315
Salut
C'est un début vers le tout hydrogène non, dans quelques dizaine d'années peut être ?
La société en question --> http://www.kit-hydrogene.com
1/ C'est quoi
Comme toujours, ajouter de l'eau dans un moteur thermique avec de un peu de "tripaille" supplémentaire, mais rien ne laisse voir qu'on puisse arriver à 100% d'eau
2/ Rôle de l'eau
Le rôle est double :
- Principalement diminuer la température de flamme, ce qui tend à réduire les pertes de chaleur au niveau de la culasse et du piston, une partie de cette chaleur étant transformée en dilatation de vapeur et donc en pression utile. Ce phénomène n'est intéressant qu'à des niveaux de charges particuliers (surtout à forte pression d'admission et à faible vitesse de rotation - ce qui est le cas des moteurs d'avions légers, mais l'eau, c'est lourd...)
- En jouant sur la dissociation de l'eau en Hydrogène et Oxygène (produit par électro/pyro/cata... -on ne sait plus trop- lyse en utilisant à la fois un apport électromagnétique et la chaleur de l'échappement) on pourrait (je reste au conditionnel) produire un plasma d'hydrogène et d'oxygène activés (ions dont le nuage électronique est en déséquilibre thermodynamique) particulièrement réactif pour aider à brûler... les imbrûlés.
3/ Le rendement global.
- Pour certains régimes, on gagne a injecter de l'eau (premier rôle ci- dessus)
- Pour que le second rôle soit rempli, il faudrait que la génération d'hydrogène se fasse avec un rendement par rapport à l'apport électrique (l'apport de chaleur d'échappement étant considéré comme gratuit) qui surcompense le rendement de l'alternateur, et celui du moteur thermique qui l'entraîne (disons 20% donc mieux que 500% hydrogène/électricité, ce qui reste, pour le moins, à prouver !)
- Il y a d'autres manières de récupérer l'énergie des imbrûlés : les brûler dans un pot catalytique inserré entre le moteur et la roue chaude d'un turbo avec un moteur en mode turbo-compound par exemple... (mais là encore, il y a probablement plus à perdre en ne profitant pas de l'énergie des "bouffées" de surpression des gaz d'échappement qu'à gagner par l'augmentation de température due au complément d'oxydo-réduction !)
4/ l'intérêt aéronautique:
Même si ce système était intéressant pour un véhicule routier, le poids du système supplémentaire et de l'eau grève forcément le devis de masse de l'avion.
La spirale des masse et des puissances va en général très loin...
5/ Manque de sérieux notoire.
- Même avec beaucoup de bonne volonté, les explications disponibles sur le site sont peu claires.
- Les calculs de rendement sont pour le moins simplistes : Si une voiture parcourt 1200 km avec le système au lieu de 800 km sans le système, ça ne fait pas forcément une augmentation de rendement de 33% (1200-800)/1200 ! (Il faudrait comparer les résultats au banc (33% c'est ce que peut apporter une conduite souple par rapport à une conduite heurtée, ou une réduction de vitesse de 17% - de 90 à 75 km/h par exemple, ou un savant mélange des deux...)
- Les fautes d'orthographe complètent bien le tableau...
- La seule chose claire, finalement, c'est qu'on peut acheter (cher à mon avis) un kit avec l'espoir que ça marche...
(Quand on sait que le système pantone à fait l'objet de procès de la part d'utilisateurs déçus... BOF !)
Bref, je suis, une fois encore, pas du tout convaincu.
Bons vols
Philippe Dejean
Modifié en dernier par Philippe Dejean le 25 nov. 2009 10:27, modifié 4 fois.
Les fourmis sont des guêpes comme les autres !
Re: Un Turbopropulseur pour avions légers...
Salut Philippe
Tu saurais dire la quantité d'énergie électrique nécessaire pour produire la quantité d'hydrogène nécessaire afin d'augmenter le rendement du moteur de 25% ?
Je suppose qu'il faille connaitre les caractéristiques de "l'electrolyseur" ?
J'ai trouvé un petit kit pédagogique d'initiation à 50 euros qui permet de créer de l'hydrogène à partir de panneau solaire donc voici les caractéristiques :
Dimensions du panneau solaire :
• Dimensions: 125mm x 155mm x 8mm
• Tension (au point de puissance optimal) 2.2V D.C
• Courant (au point de puissance maximum) 1.1mA
NOTE: les données du module solaire sont basées sur les conditions standards (1,000W/m2, 25°C)
L’ELECTROLYSEUR
● Dimensions: 54mm x 54mm x 17mm
● Poids total: 69.7 grammes
FONCTION DE L’ELECTROLYSEUR
● Tension d’entrée :1.7V ~ 2V (D.C) (ne pas dépasser 2.5V car il pouvait endommage la cellule de carburant réversible d’une manière permanente)
● Courant d’entrée: ≥0.7A à 2V
● Taux de la production d’hydrogène: 5ml/min
● Taux de la production d’oxygène: 2.5ml/min
Le mode d'emploi pour les curieux
Tu saurais dire la quantité d'énergie électrique nécessaire pour produire la quantité d'hydrogène nécessaire afin d'augmenter le rendement du moteur de 25% ?
Je suppose qu'il faille connaitre les caractéristiques de "l'electrolyseur" ?
J'ai trouvé un petit kit pédagogique d'initiation à 50 euros qui permet de créer de l'hydrogène à partir de panneau solaire donc voici les caractéristiques :
Dimensions du panneau solaire :
• Dimensions: 125mm x 155mm x 8mm
• Tension (au point de puissance optimal) 2.2V D.C
• Courant (au point de puissance maximum) 1.1mA
NOTE: les données du module solaire sont basées sur les conditions standards (1,000W/m2, 25°C)
L’ELECTROLYSEUR
● Dimensions: 54mm x 54mm x 17mm
● Poids total: 69.7 grammes
FONCTION DE L’ELECTROLYSEUR
● Tension d’entrée :1.7V ~ 2V (D.C) (ne pas dépasser 2.5V car il pouvait endommage la cellule de carburant réversible d’une manière permanente)
● Courant d’entrée: ≥0.7A à 2V
● Taux de la production d’hydrogène: 5ml/min
● Taux de la production d’oxygène: 2.5ml/min
Le mode d'emploi pour les curieux
- Fichiers joints
-
- Hydrogene.pdf
- (239.58 Kio) Téléchargé 592 fois
Un avion Piel, sinon rien ....
Re: Un Turbopropulseur pour avions légers...
Bonsoir
Les images de ce post sont devenues louffoque, vous est il possible de les remplacer par les originales ?
Merci à vous
Les images de ce post sont devenues louffoque, vous est il possible de les remplacer par les originales ?
Merci à vous
Un avion Piel, sinon rien ....
- FAUVET Damien
- Pilote Privé Voltige

- Messages : 313
- Enregistré le : 28 mars 2006 09:47
Re: Un Turbopropulseur pour avions légers...
Salut,
Afin de clore le débat concernant la petite digression « fabriquons notre hydrogène à l’aide d’un système embarqué », voici la réponse à ta question Laurent : « combien faut-il d’électrolyseurs solaires pour fournir 25% de l’énergie d’un Continental C90 en croisière ».
Ton électrolyseur à panneaux solaires fournit 5ml/min d’hydrogène.
Donc 300 ml/h = 0,3 l/h (0,005 l/h x 60)
Donc 3825 Joules en 1 heure (pouvoir calorifique hydrogène (12750 J/l) x 0,3 l/h)
Un C90 consomme 20 l/h d’essence.
Donc 710 000 000 Joules en 1 heure (pouvoir calorifique essence (35.10^6 J/l) x 20 l/h)
Il faut donc 710 000 000 / 3825 = 185 620 électrolyseurs pour alimenter complètement un C90 en croisière… si je ne me suis pas trompé dans les unités.
Un électrolyseur pèse 0,0697 kg + l’eau que l’on met dedans (réservoir de 54x54x17mm = 0,049kg) = 0,1187 kg.
Les 185620 électrolyseurs nécessaires au fonctionnement d'un C90 représentent une masse de 22 033 kg (185 620 x 0,1187 kg) : oui, plus de 22 tonnes ! Et 2900m^2 de surface de panneaux solaires : la surface de plus de 8 Boeing 747 !
Pour obtenir le nombre, poids, surface de montage capable de fournir 25% de l’énergie du C90, il suffit de multiplier les valeurs ci-dessus par 0,25 :
- il faut 46 405 électrolyseurs
- cela pèsera 5,5 tonnes
- cela nécessitera 725m^2 de panneaux solaires…
Ah, j’oubliais le prix (50 € l’électrolyseur):
Pour alimenter totalement un C90 : 9,3 millions d’€
Pour fournir 25% de l’énergie d’un C90 : 2,3 millions d’€

Afin de clore le débat concernant la petite digression « fabriquons notre hydrogène à l’aide d’un système embarqué », voici la réponse à ta question Laurent : « combien faut-il d’électrolyseurs solaires pour fournir 25% de l’énergie d’un Continental C90 en croisière ».
Ton électrolyseur à panneaux solaires fournit 5ml/min d’hydrogène.
Donc 300 ml/h = 0,3 l/h (0,005 l/h x 60)
Donc 3825 Joules en 1 heure (pouvoir calorifique hydrogène (12750 J/l) x 0,3 l/h)
Un C90 consomme 20 l/h d’essence.
Donc 710 000 000 Joules en 1 heure (pouvoir calorifique essence (35.10^6 J/l) x 20 l/h)
Il faut donc 710 000 000 / 3825 = 185 620 électrolyseurs pour alimenter complètement un C90 en croisière… si je ne me suis pas trompé dans les unités.
Un électrolyseur pèse 0,0697 kg + l’eau que l’on met dedans (réservoir de 54x54x17mm = 0,049kg) = 0,1187 kg.
Les 185620 électrolyseurs nécessaires au fonctionnement d'un C90 représentent une masse de 22 033 kg (185 620 x 0,1187 kg) : oui, plus de 22 tonnes ! Et 2900m^2 de surface de panneaux solaires : la surface de plus de 8 Boeing 747 !
Pour obtenir le nombre, poids, surface de montage capable de fournir 25% de l’énergie du C90, il suffit de multiplier les valeurs ci-dessus par 0,25 :
- il faut 46 405 électrolyseurs
- cela pèsera 5,5 tonnes
- cela nécessitera 725m^2 de panneaux solaires…
Ah, j’oubliais le prix (50 € l’électrolyseur):
Pour alimenter totalement un C90 : 9,3 millions d’€
Pour fournir 25% de l’énergie d’un C90 : 2,3 millions d’€
- Philippe Dejean
- Pilote Professionnel

- Messages : 1102
- Enregistré le : 29 juin 2005 14:15
Re: Un Turbopropulseur pour avions légers...
Bonjour Damien !
Ton
me semble un peu dur : PAS SUR LA TETE !
Bon, plus sérieusement, ton petit calcul montre la remarquable inefficacité de l'électrolyseur solaire...
Mais c'est juste un kit pédagogique : Démonstratif, mais l'efficacité énergétique et la puissance massique n'ont pas d'intérêt particulier.
Au contraire, il est souhaitable qu'il ne produise pas une quantité d'hydrogène qui puisse se révéler dangereuse...
Prenons le problème de la propulsion à l'énergie solaire par l'autre bout :
Des capteurs solaires de bons rendement, mais pas forcément orientés exactement vers le soleil peuvent produire environ 100 Watts par mètre carré (de voilure) pour une masse de l'ordre de 5 kg par mètre carré tout compris.
Le panneau produit donc la puissance pour s'élever lui-même de 100 /(5 x 9.81) = 2 m/s environ
Bien sûr, le panneau n'est pas tout seul, il doit être porté par une cellule dotée de moteurs électriques (dont le rendement est proche de 100%).
Le tout pèse facilement autant que les panneaux, ce qui nous ramène à 100 Watts pour 10 kg.
En supposant que tout cela soit disposé sous forme d'une espèce d'aile volante de finesse maximale égale à 40 à une vitesse de l'ordre de 20 m/s (72 km/h), la puissance consommée pour le vol en palier par kg d'avion est de :
20 x 9.81 / 40 = 5 watts/kg environ, c'est à dire la moitié de la puissance installée : Ce n'est donc pas impossible.
Le taux de montée maximal est donc de 50/(10 x 9.81) = 0,5 m/s environ (100 ft/min), sur une pente de montée de 2,5% environ. (Un vrai intercepteur !
)
A quoi ça peut ressembler ?
Pour un monoplace : masse du pilote 100 kg, masse de la structure et du moteur électrique 400 kg, masse des panneaux et des circuits électriques 500 kg Total 1000 kg
Avec une charge alaire de 10 kg par m² ça donne une surface de 100 m²
La finesse de 40 peut être atteinte avec un profil autostable et un allongement de 25, ce qui donne une envergure de 50 mètres et une corde moyenne de 2 mètres. (avec un peu d'effilement, il est possible d'avoir une corde maximale au milieu un peu supérieure 3 mètres dans laquelle le pilote tient allongé sur le ventre...
ça volerait, ça arriverait même à monter un peu avec un bon ensoleillement continu...
Mais il est beaucoup plus simple (et plus sûr !) de faire voler un bon planeur normal de 15 ou 18 m d'envergure, lancé par un treuil électrique !
Et rien n'interdit de charger les batteries du treuil électrique avec des panneaux solaires sur les toi du hangar !
La treuillée correspond à environ 500 (kg) x 9.81 x 500 (m) = 2,5 MégaJoules, si on rajoute les pertes à la charge et à la décharge de la batterie, on peut compter 3,6 Mégajoules soit 360 secondes de charge avec les 10 kW produits par les 100 m² de panneaux.
Autrement dit, quand on ne cherche plus à faire voler les 100 m² de panneaux, ils permettent de lancer un planeur toutes les 6 minutes ! (Et encore, comme la plupart des hangars font bien plus de 100 m2, rien n'interdit d'augmenter la surface, et donc la puissance, et re-donc le nombre de planeurs lancés à l'heure !)
Bons Vols
Philippe Dejean
Ton
Bon, plus sérieusement, ton petit calcul montre la remarquable inefficacité de l'électrolyseur solaire...
Mais c'est juste un kit pédagogique : Démonstratif, mais l'efficacité énergétique et la puissance massique n'ont pas d'intérêt particulier.
Au contraire, il est souhaitable qu'il ne produise pas une quantité d'hydrogène qui puisse se révéler dangereuse...
Prenons le problème de la propulsion à l'énergie solaire par l'autre bout :
Des capteurs solaires de bons rendement, mais pas forcément orientés exactement vers le soleil peuvent produire environ 100 Watts par mètre carré (de voilure) pour une masse de l'ordre de 5 kg par mètre carré tout compris.
Le panneau produit donc la puissance pour s'élever lui-même de 100 /(5 x 9.81) = 2 m/s environ
Bien sûr, le panneau n'est pas tout seul, il doit être porté par une cellule dotée de moteurs électriques (dont le rendement est proche de 100%).
Le tout pèse facilement autant que les panneaux, ce qui nous ramène à 100 Watts pour 10 kg.
En supposant que tout cela soit disposé sous forme d'une espèce d'aile volante de finesse maximale égale à 40 à une vitesse de l'ordre de 20 m/s (72 km/h), la puissance consommée pour le vol en palier par kg d'avion est de :
20 x 9.81 / 40 = 5 watts/kg environ, c'est à dire la moitié de la puissance installée : Ce n'est donc pas impossible.
Le taux de montée maximal est donc de 50/(10 x 9.81) = 0,5 m/s environ (100 ft/min), sur une pente de montée de 2,5% environ. (Un vrai intercepteur !
A quoi ça peut ressembler ?
Pour un monoplace : masse du pilote 100 kg, masse de la structure et du moteur électrique 400 kg, masse des panneaux et des circuits électriques 500 kg Total 1000 kg
Avec une charge alaire de 10 kg par m² ça donne une surface de 100 m²
La finesse de 40 peut être atteinte avec un profil autostable et un allongement de 25, ce qui donne une envergure de 50 mètres et une corde moyenne de 2 mètres. (avec un peu d'effilement, il est possible d'avoir une corde maximale au milieu un peu supérieure 3 mètres dans laquelle le pilote tient allongé sur le ventre...
ça volerait, ça arriverait même à monter un peu avec un bon ensoleillement continu...
Mais il est beaucoup plus simple (et plus sûr !) de faire voler un bon planeur normal de 15 ou 18 m d'envergure, lancé par un treuil électrique !
Et rien n'interdit de charger les batteries du treuil électrique avec des panneaux solaires sur les toi du hangar !
La treuillée correspond à environ 500 (kg) x 9.81 x 500 (m) = 2,5 MégaJoules, si on rajoute les pertes à la charge et à la décharge de la batterie, on peut compter 3,6 Mégajoules soit 360 secondes de charge avec les 10 kW produits par les 100 m² de panneaux.
Autrement dit, quand on ne cherche plus à faire voler les 100 m² de panneaux, ils permettent de lancer un planeur toutes les 6 minutes ! (Et encore, comme la plupart des hangars font bien plus de 100 m2, rien n'interdit d'augmenter la surface, et donc la puissance, et re-donc le nombre de planeurs lancés à l'heure !)
Bons Vols
Philippe Dejean
Modifié en dernier par Philippe Dejean le 13 nov. 2009 10:16, modifié 1 fois.
Les fourmis sont des guêpes comme les autres !
- FAUVET Damien
- Pilote Privé Voltige

- Messages : 313
- Enregistré le : 28 mars 2006 09:47
Re: Un Turbopropulseur pour avions légers...
Et voici mes concurents...un petit turboprop fabriqué aux US (M-DOT), dont le prototype n°2 inclura un échangeur...
http://www.youtube.com/watch?v=FuOANLLzLXU
http://www.youtube.com/watch?v=FuOANLLzLXU
- Philippe Dejean
- Pilote Professionnel

- Messages : 1102
- Enregistré le : 29 juin 2005 14:15
Re: Un Turbopropulseur pour avions légers...
Bonjour Damien,
D'après leur site, ils sont capables de faire pas mal de choses... mais leur échangeur est-il aussi avancé que le tien ?
Le marché américain des moteurs d'avions privé est très différent du marché européen, en partie à cause de l'ULM.
Si le gros du marché américain est entre 150 et 200 HP, le marché européen serait plutôt entre 65 et 125 HP.
Avec une hélice à pas variable, je pense que ton turbomoteur de 50 kW pourrait facilement surclasser les "quataplas" VW et faire jeu égal avec un rotax 912 / 80 HP, un Jabiru 2200 / 85 HP ou un continental 90 HP.
En profitant du gain de masse avec une cellule adaptée, ce sont les moteurs de 100 HP qui sont concurrencés.
(C'est à dire jusqu'au petit quadriplace si on compare au Sicile et son RR de 100 HP)
Autant dire que c'est à une bonne part du marché européen que tu t'attaques!
Mais pour les avions plus gros (actuellement motorisés par les O-320 et O-360) ta turbine est désespérément trop petite. Alors, aurais-tu dans tes cartons, le projet d'en faire une plus grosse, ou d'en mettre deux ensemble.
- Soit deux turbines côte à côte attaquant le même réducteur pour obtenir 100 kW continus sur un arbre à 2500 t/min
- Soit deux turbines côte à côte attaquant deux réducteurs dont les arbres secondaires seraient coaxiaux et contrarotatifs (une manière d'avoir un bimoteur avec la poussée sur le même axe avec en prime une augmentation d'environ 5% du rendement propulsif grâce à l'effet contrarotatif)
- Soit un panachage des deux (hélices contrarotatives entrainées par deux turbines couplées par la boite de transmission)
Dans tous les cas, le tout tiendrait dans un capot de O-360...
Je rêve ou c'est juste de l'anticipation ?
En tout cas, Bons vols !
Philippe Dejean
D'après leur site, ils sont capables de faire pas mal de choses... mais leur échangeur est-il aussi avancé que le tien ?
Le marché américain des moteurs d'avions privé est très différent du marché européen, en partie à cause de l'ULM.
Si le gros du marché américain est entre 150 et 200 HP, le marché européen serait plutôt entre 65 et 125 HP.
Avec une hélice à pas variable, je pense que ton turbomoteur de 50 kW pourrait facilement surclasser les "quataplas" VW et faire jeu égal avec un rotax 912 / 80 HP, un Jabiru 2200 / 85 HP ou un continental 90 HP.
En profitant du gain de masse avec une cellule adaptée, ce sont les moteurs de 100 HP qui sont concurrencés.
(C'est à dire jusqu'au petit quadriplace si on compare au Sicile et son RR de 100 HP)
Autant dire que c'est à une bonne part du marché européen que tu t'attaques!
Mais pour les avions plus gros (actuellement motorisés par les O-320 et O-360) ta turbine est désespérément trop petite. Alors, aurais-tu dans tes cartons, le projet d'en faire une plus grosse, ou d'en mettre deux ensemble.
- Soit deux turbines côte à côte attaquant le même réducteur pour obtenir 100 kW continus sur un arbre à 2500 t/min
- Soit deux turbines côte à côte attaquant deux réducteurs dont les arbres secondaires seraient coaxiaux et contrarotatifs (une manière d'avoir un bimoteur avec la poussée sur le même axe avec en prime une augmentation d'environ 5% du rendement propulsif grâce à l'effet contrarotatif)
- Soit un panachage des deux (hélices contrarotatives entrainées par deux turbines couplées par la boite de transmission)
Dans tous les cas, le tout tiendrait dans un capot de O-360...
Je rêve ou c'est juste de l'anticipation ?
En tout cas, Bons vols !
Philippe Dejean
Les fourmis sont des guêpes comme les autres !
- FAUVET Damien
- Pilote Privé Voltige

- Messages : 313
- Enregistré le : 28 mars 2006 09:47
Re: Un Turbopropulseur pour avions légers...
Bonjour Philippe,
La turbine sur laquelle je travaille est surtout un démonstrateur destiné à valider la techno des échangeurs, et même si elle est assez proche de la configuration « volable », ce n’est pas cette turbine qui prendra l’air : elle accumulera des heures au banc.
Je pense que la puissance la plus pertinente pour commencer est une turbine de 70 kW (environ 100ch), car cette puissance permet d’attaquer à la fois le marché ULM et avions amateurs.
Si la « mayonnaise prend » avec une turbine 100ch, et que le marché est prêt à accueillir cette technologie, pourquoi ne pas développer une gamme 100ch, 150ch, 180ch…250ch.
Par contre, les hélices contrarotatives c’est top pour le rendement propulsif, mais pas pour le rendement…financier : je ne pense pas que nos applications justifient un réducteur 2 fois plus cher et le coût de 2 hélices à pas variable (à 3500€ pièce…).
C’est là où il faut bien définir les objectifs d’un projet (le fameux conflit entre l’ingénieur qui veut toujours raffiner au maximum le projet, et le commercial qui souhaite plutôt proposer un moteur low-cost…).
Pendant un moment, je ne regardais que les aspects ‘rendement thermique’, ce qui m’a amené à étudier des solutions technologiques très pointues et coûteuses (rouets en nitrure de silicium et autres composites thermaux-structuraux… j’ai même fait fabriquer un rouet de turbine en alumine pure à 99,98% en usinage ultrasonique)… !
C’était une erreur, car si l’on espère faire vivre industriellement un projet, il faut « raison garder » et donc réaliser les bons choix stratégiques : proposer un moteur certes performant (faible conso, faible poids) mais surtout d’un coût d’acquisition abordable, fiable et dont les coûts de possession sont faibles (TBO espacée).
Il est, de plus, tout aussi intéressant d’étudier des solutions très High-tech que de chercher à atteindre un objectif avec les solutions les plus simples (et donc les moins chères), mais ce n’est que mon avis…
Je travaille donc plutôt dans l’optique de réaliser une première série de moteurs avec une partie turbine « state of the art » ( ce qui ce fait de mieux dans les technos éprouvées et peu coûteuses), accouplée à un échangeur « low cost » capable d’être installé sur de futures turbines hautes températures, lorsque les technos des composites thermaux-structuraux seront abordables.
A+…
La turbine sur laquelle je travaille est surtout un démonstrateur destiné à valider la techno des échangeurs, et même si elle est assez proche de la configuration « volable », ce n’est pas cette turbine qui prendra l’air : elle accumulera des heures au banc.
Je pense que la puissance la plus pertinente pour commencer est une turbine de 70 kW (environ 100ch), car cette puissance permet d’attaquer à la fois le marché ULM et avions amateurs.
Si la « mayonnaise prend » avec une turbine 100ch, et que le marché est prêt à accueillir cette technologie, pourquoi ne pas développer une gamme 100ch, 150ch, 180ch…250ch.
Par contre, les hélices contrarotatives c’est top pour le rendement propulsif, mais pas pour le rendement…financier : je ne pense pas que nos applications justifient un réducteur 2 fois plus cher et le coût de 2 hélices à pas variable (à 3500€ pièce…).
C’est là où il faut bien définir les objectifs d’un projet (le fameux conflit entre l’ingénieur qui veut toujours raffiner au maximum le projet, et le commercial qui souhaite plutôt proposer un moteur low-cost…).
Pendant un moment, je ne regardais que les aspects ‘rendement thermique’, ce qui m’a amené à étudier des solutions technologiques très pointues et coûteuses (rouets en nitrure de silicium et autres composites thermaux-structuraux… j’ai même fait fabriquer un rouet de turbine en alumine pure à 99,98% en usinage ultrasonique)… !
C’était une erreur, car si l’on espère faire vivre industriellement un projet, il faut « raison garder » et donc réaliser les bons choix stratégiques : proposer un moteur certes performant (faible conso, faible poids) mais surtout d’un coût d’acquisition abordable, fiable et dont les coûts de possession sont faibles (TBO espacée).
Il est, de plus, tout aussi intéressant d’étudier des solutions très High-tech que de chercher à atteindre un objectif avec les solutions les plus simples (et donc les moins chères), mais ce n’est que mon avis…
Je travaille donc plutôt dans l’optique de réaliser une première série de moteurs avec une partie turbine « state of the art » ( ce qui ce fait de mieux dans les technos éprouvées et peu coûteuses), accouplée à un échangeur « low cost » capable d’être installé sur de futures turbines hautes températures, lorsque les technos des composites thermaux-structuraux seront abordables.
A+…
- Philippe Dejean
- Pilote Professionnel

- Messages : 1102
- Enregistré le : 29 juin 2005 14:15
Re: Un Turbopropulseur pour avions légers...
Bonjour Damien,
L'amélioration du rendement propulsif par les hélices contra-rotatives est net, malheureusement l'augmentation du bruit l'est tout autant (la deuxième hélice tourne dans le flux perturbé par la première...) Alors il est clair que ce rêve d'ingénieur a toutes les chances de rester un rêve.
Pour ce qui est du marché des moteurs, il est évident qu'une solution trop chère a peu d'avenir, même si elle est techniquement irréprochable.
Le prix de vente est donc le premier paramètre par ordre d'importance.
Ensuite, il est clair que la puissance massique de la turbine est un de ces principaux atouts. Mais si jusqu'à présent, la turbine n'a pas percé pour le marché aéronautique de petite puissance, c'est parce que cet avantage n'était pas considéré comme primordial.
Pour un avion comme le bimoteur ATR, le turboprop s'impose, car pour une puissance totale de 6000 HP environ, deux moteurs à pistons (en supposant que ceux-ci existent) pèserait au moins 3 tonnes de plus, ce qui reviendrait à supprimer près de la moitié de la charge utile !
Pour un avion comme le MCR-UL, remplacer un rotax 912 de 64 kg par une turbine ferait gagner une trentaine de kilos. Ce serait très appréciable par rapport au respect de la limite de masse de la réglementation ULM, à condition de ne pas être obligé de rajouter des gueuses pour le centrage...
Pour la quasi-totalité des avions existants, un moteur nettement plus léger imposerait d'avancer le moteur, avec des capots plus longs (et donc une surface mouillée qui tend à augmenter), voire la nécessité d'augmenter la surface de la dérive pour conserver la stabilité de route...
Bien sûr, si on conçoit un nouvel avion autour d'une turbine très légère, il en va tout autrement, seulement le marché est forcément très limité les premières années.
Ce qui est regardé avec d'autant plus d'attention par le pilote d'avion léger que le prix des carburants ne cesse d'augmenter, c'est la consommation spécifique. Ceci explique le retour du diesel en aviation légère depuis quelques temps.
Si je résume ma pensée, ton moteur doit viser les objectifs suivants (par ordre d'importance décroissante) :
1/ Ne pas être plus cher que les motorisation concurrentes (y compris pour certains crénaux amateurs pas plus cher que les moteurs d'occasion ! - ce n'est pas évident -)
2/ Ne pas consommer plus que les moteurs concurrents (en pensant que les diesels seront très vite sur le marché 150 à 300 HP)
3/ La masse - qui ne vient qu'en troisième position - ne doit pas être supérieure à ce qui se fait de mieux dans la concurrence dans chaque gamme de puissance, mais aller beaucoup plus loin dans un premier temps serait contre-productif pour la pénétration du marché des cellules existantes.
Donc, à mon humble avis une solution à échangeurs assez importants, en matériaux moins nobles (acier?) de 50-70 kW continus, peu gourmande (rendement 35%), pesant 50-60 kg, et directement montable à la place d'un 912, a beaucoup plus de chances de succès qu'une version plus légère, mais plus chère et/ou plus gourmande en carburant.
Pour le début du moins, ton moteur doit être un "bon élève" : Bon en tout, génial en rien...
Bons Vols
Philippe Dejean
L'amélioration du rendement propulsif par les hélices contra-rotatives est net, malheureusement l'augmentation du bruit l'est tout autant (la deuxième hélice tourne dans le flux perturbé par la première...) Alors il est clair que ce rêve d'ingénieur a toutes les chances de rester un rêve.
Pour ce qui est du marché des moteurs, il est évident qu'une solution trop chère a peu d'avenir, même si elle est techniquement irréprochable.
Le prix de vente est donc le premier paramètre par ordre d'importance.
Ensuite, il est clair que la puissance massique de la turbine est un de ces principaux atouts. Mais si jusqu'à présent, la turbine n'a pas percé pour le marché aéronautique de petite puissance, c'est parce que cet avantage n'était pas considéré comme primordial.
Pour un avion comme le bimoteur ATR, le turboprop s'impose, car pour une puissance totale de 6000 HP environ, deux moteurs à pistons (en supposant que ceux-ci existent) pèserait au moins 3 tonnes de plus, ce qui reviendrait à supprimer près de la moitié de la charge utile !
Pour un avion comme le MCR-UL, remplacer un rotax 912 de 64 kg par une turbine ferait gagner une trentaine de kilos. Ce serait très appréciable par rapport au respect de la limite de masse de la réglementation ULM, à condition de ne pas être obligé de rajouter des gueuses pour le centrage...
Pour la quasi-totalité des avions existants, un moteur nettement plus léger imposerait d'avancer le moteur, avec des capots plus longs (et donc une surface mouillée qui tend à augmenter), voire la nécessité d'augmenter la surface de la dérive pour conserver la stabilité de route...
Bien sûr, si on conçoit un nouvel avion autour d'une turbine très légère, il en va tout autrement, seulement le marché est forcément très limité les premières années.
Ce qui est regardé avec d'autant plus d'attention par le pilote d'avion léger que le prix des carburants ne cesse d'augmenter, c'est la consommation spécifique. Ceci explique le retour du diesel en aviation légère depuis quelques temps.
Si je résume ma pensée, ton moteur doit viser les objectifs suivants (par ordre d'importance décroissante) :
1/ Ne pas être plus cher que les motorisation concurrentes (y compris pour certains crénaux amateurs pas plus cher que les moteurs d'occasion ! - ce n'est pas évident -)
2/ Ne pas consommer plus que les moteurs concurrents (en pensant que les diesels seront très vite sur le marché 150 à 300 HP)
3/ La masse - qui ne vient qu'en troisième position - ne doit pas être supérieure à ce qui se fait de mieux dans la concurrence dans chaque gamme de puissance, mais aller beaucoup plus loin dans un premier temps serait contre-productif pour la pénétration du marché des cellules existantes.
Donc, à mon humble avis une solution à échangeurs assez importants, en matériaux moins nobles (acier?) de 50-70 kW continus, peu gourmande (rendement 35%), pesant 50-60 kg, et directement montable à la place d'un 912, a beaucoup plus de chances de succès qu'une version plus légère, mais plus chère et/ou plus gourmande en carburant.
Pour le début du moins, ton moteur doit être un "bon élève" : Bon en tout, génial en rien...
Bons Vols
Philippe Dejean
Les fourmis sont des guêpes comme les autres !
- FAUVET Damien
- Pilote Privé Voltige

- Messages : 313
- Enregistré le : 28 mars 2006 09:47
Re: Un Turbopropulseur pour avions légers...
Bonjour à tous,
Philippe, je suis entièrement d’accord avec toi sur la masse qui, à priori, doit être la plus basse possible pour un aéronef…mais qui dans le cas d’un rétrofit de motorisation existante, peu représenter un handicap pour le centrage.
Il faut donc faire un moteur « un peu moins lourd que la concurrence », moins cher, plus fiable, consommant le moins possible et d’un coût de possession radicalement plus bas !
C’est ce que je vais essayer de faire, car je suis convaincu que la technologie des turbines à cycle régénératif en est capable !
A présent, je vous propose de suivre pas à pas toutes les étapes de ce projet, de la conception aux essais, tout en essayant de rester dans des explications pédagogiques.
La conception de l’ensemble du projet est quasi terminée, et je suis à la phase de réalisation du corps HP.
Mais repartons du début : comment fait on pour concevoir un turbomoteur ???!!!
Et bien tout d’abord, on fait le choix de la configuration : simple corps ou double corps ?
Les premiers turbomoteurs aéronautiques étaient ‘simple corps’ (les moteurs des hélicos Alouettes 2 et 3, ou du C130 Hercules par ex). Dans ce type de moteur, le compresseur, la turbine (qui comporte souvent plusieurs étages) et la charge (hélice ou rotor), sont mécaniquement reliés. Pour faire simple, sur un turboprop simple corps, si on fait tourner l’hélice à la main, le compresseur et la turbine tournent.
Dans un turbomoteur double corps, il a deux entités non reliées mécaniquement : le générateur de gaz (ou corps HP pour hautes pression) et la turbine de puissance.
Le générateur de gaz est en fait un petit « turboréacteur » capable de fonctionner tout seul, il génère un flux gazeux qui contient une grande quantité d’énergie.
Cette énergie peut alors être récupérée dans une deuxième turbine (turbine de puissance ou corps BP pour basse pression) pour entraîner la charge via un réducteur. Donc, si on tourne l’hélice d’un turboprop double corps à la main, seul la turbine de puissance tourne (le corps HP étant mécaniquement indépendant).
Une turbine simple corps est en apparence plus simple. En apparence seulement, car étant souvent obligé d’accoupler plusieurs étages de turbines pour récupérer toute la puissance disponible dans le flux, des effets indésirables apparaissent. De plus, une turbine simple corps nécessite l’utilisation d’une hélice à pas variable ou d’un embrayage (car incapable d’entraîner une charge à faible vitesse).
Une turbine double corps a un temps de réponse un peu plus élevé, mais elle est incontestablement plus souple à utiliser (moins sensible au pompage, pas besoin d’embrayage ou de pas variable…).
J’ai donc choisi une configuration double corps.
Une fois ce choix fait, il faut définir le cycle thermodynamique en fonction de la puissance désirée et des technos utilisées.
A mon échelle, il est malheureusement impossible de travailler avec les mêmes cycles que les réacteurs d’avions de ligne (pression 40 bars, Température de combustion de 1400°C).
Pourquoi ?
1) Parce que dans un turbomoteur de plusieurs dizaines de milliers de chevaux fonctionnant à 40 bars, les aubes du compresseur ne font que quelques centimètres de haut sur les derniers étages…alors vous imaginez sur une turbine de moins de 100 ch : elles ne feraient que quelques millimètres ! Impossible à réaliser (sans parler du jeu entre les parties fixes et mobiles)!!!
2) A 1400°C, les meilleurs alliages ne tiennent pas, ces températures sont atteintes dans les gros turbomoteurs grâce à un très efficace refroidissement des aubes de turbine : des milliers de trous réalisés au laser forment une couche d’air frais autour des aubes.
Même combat qu’au dessus : impossible à réaliser sur des aubes de 2 mm d’épaisseur !
Je dois donc utiliser un compresseur centrifuge mono étage (du type de ceux utilisés dans les turbos de voitures ou camions) et une turbine non refroidie...
Cela limite le taux de compression à 3 bars et la température à 950 – 1100°C selon l’alliage utilisé.
J’ai donc choisi 3 bars et 950°C. Mais du coup, cela limite le rendement : la conso d’un turbomoteur fonctionnant avec ce cycle est le double ou le triple d'un moteur à piston (essence). Exemple : les APU d'avions militaires ou civils !
Heureusement, l’échangeur thermique vole à notre secours et permet de retrouver une consommation inférieure ou égale au moteur essence (selon la taille de l'échangeur).
Après, on calcul le cycle thermodynamique (débit massique d’air, différentes pressions, température, pertes de charges dans le moteur) : on obtient ainsi tout les éléments physiques permettant de dimensionner les éléments du moteur (compresseur, turbines, chambre de combustion, etc)…
Une fois ces données obtenues, il faut définir les grandeurs dimensionnelles de tous ces éléments (dia d’entrée et de sortie du compresseur et de la turbine, volume de la chambre etc…)…puis réaliser le design détaillé de ces éléments…
Pour le compresseur, c’est une pièce trop complexe pour être conçue seul tout en ayant un bon rendement.
Heureusement, il existe une immense quantité de turbos de camions ou voiture : il y a bien un rouet qui collera avec mon application ?
Et oui, bingo ! Le calcul de thermo m’a conduit à choisir un compresseur qui débite 0,5 kg/s d’air sous 3 bars : un petit tour sur le site de Garrett (http://www.turbobygarrett.com/turbobyga ... rgers.html) pour choisir un rouet, puis un petit coup de fil chez HP turbo à Gennevilliers, et voilà, le rouet est acheté : c’est un rouet de compresseur de turbo Garrett TA51 (monté sur engins de chantiers).
Pour la turbine HP, j’ai également une la chance de trouver un rouet de réacteur de drone parfaitement adapté au compresseur et commercialisé par une petite société suisse : ça m’a évité de réaliser une pièce de fonderie spécifique (ouf pour le porte monnaie).
Par contre, pour la turbine BP il va falloir l’usiner dans un lopin d’inconel 718…il y en a pour plus de 40 heures d’usinage…heureusement qu’il y a des copains usineurs sympas… !!!
Après, il faut tout concevoir, dessiner, mettre en plans : le corps HP, le corps BP, le réducteur (qui m’a donné des nuits blanches)…c’est un travail énorme !
Allez, voilà pour la partie avant projet. Rendez vous bientôt pour un petit point sur la définition détaillée et le début de la fabrication…
Philippe, je suis entièrement d’accord avec toi sur la masse qui, à priori, doit être la plus basse possible pour un aéronef…mais qui dans le cas d’un rétrofit de motorisation existante, peu représenter un handicap pour le centrage.
Il faut donc faire un moteur « un peu moins lourd que la concurrence », moins cher, plus fiable, consommant le moins possible et d’un coût de possession radicalement plus bas !
C’est ce que je vais essayer de faire, car je suis convaincu que la technologie des turbines à cycle régénératif en est capable !
A présent, je vous propose de suivre pas à pas toutes les étapes de ce projet, de la conception aux essais, tout en essayant de rester dans des explications pédagogiques.
La conception de l’ensemble du projet est quasi terminée, et je suis à la phase de réalisation du corps HP.
Mais repartons du début : comment fait on pour concevoir un turbomoteur ???!!!
Et bien tout d’abord, on fait le choix de la configuration : simple corps ou double corps ?
Les premiers turbomoteurs aéronautiques étaient ‘simple corps’ (les moteurs des hélicos Alouettes 2 et 3, ou du C130 Hercules par ex). Dans ce type de moteur, le compresseur, la turbine (qui comporte souvent plusieurs étages) et la charge (hélice ou rotor), sont mécaniquement reliés. Pour faire simple, sur un turboprop simple corps, si on fait tourner l’hélice à la main, le compresseur et la turbine tournent.
Dans un turbomoteur double corps, il a deux entités non reliées mécaniquement : le générateur de gaz (ou corps HP pour hautes pression) et la turbine de puissance.
Le générateur de gaz est en fait un petit « turboréacteur » capable de fonctionner tout seul, il génère un flux gazeux qui contient une grande quantité d’énergie.
Cette énergie peut alors être récupérée dans une deuxième turbine (turbine de puissance ou corps BP pour basse pression) pour entraîner la charge via un réducteur. Donc, si on tourne l’hélice d’un turboprop double corps à la main, seul la turbine de puissance tourne (le corps HP étant mécaniquement indépendant).
Une turbine simple corps est en apparence plus simple. En apparence seulement, car étant souvent obligé d’accoupler plusieurs étages de turbines pour récupérer toute la puissance disponible dans le flux, des effets indésirables apparaissent. De plus, une turbine simple corps nécessite l’utilisation d’une hélice à pas variable ou d’un embrayage (car incapable d’entraîner une charge à faible vitesse).
Une turbine double corps a un temps de réponse un peu plus élevé, mais elle est incontestablement plus souple à utiliser (moins sensible au pompage, pas besoin d’embrayage ou de pas variable…).
J’ai donc choisi une configuration double corps.
Une fois ce choix fait, il faut définir le cycle thermodynamique en fonction de la puissance désirée et des technos utilisées.
A mon échelle, il est malheureusement impossible de travailler avec les mêmes cycles que les réacteurs d’avions de ligne (pression 40 bars, Température de combustion de 1400°C).
Pourquoi ?
1) Parce que dans un turbomoteur de plusieurs dizaines de milliers de chevaux fonctionnant à 40 bars, les aubes du compresseur ne font que quelques centimètres de haut sur les derniers étages…alors vous imaginez sur une turbine de moins de 100 ch : elles ne feraient que quelques millimètres ! Impossible à réaliser (sans parler du jeu entre les parties fixes et mobiles)!!!
2) A 1400°C, les meilleurs alliages ne tiennent pas, ces températures sont atteintes dans les gros turbomoteurs grâce à un très efficace refroidissement des aubes de turbine : des milliers de trous réalisés au laser forment une couche d’air frais autour des aubes.
Même combat qu’au dessus : impossible à réaliser sur des aubes de 2 mm d’épaisseur !
Je dois donc utiliser un compresseur centrifuge mono étage (du type de ceux utilisés dans les turbos de voitures ou camions) et une turbine non refroidie...
Cela limite le taux de compression à 3 bars et la température à 950 – 1100°C selon l’alliage utilisé.
J’ai donc choisi 3 bars et 950°C. Mais du coup, cela limite le rendement : la conso d’un turbomoteur fonctionnant avec ce cycle est le double ou le triple d'un moteur à piston (essence). Exemple : les APU d'avions militaires ou civils !
Heureusement, l’échangeur thermique vole à notre secours et permet de retrouver une consommation inférieure ou égale au moteur essence (selon la taille de l'échangeur).
Après, on calcul le cycle thermodynamique (débit massique d’air, différentes pressions, température, pertes de charges dans le moteur) : on obtient ainsi tout les éléments physiques permettant de dimensionner les éléments du moteur (compresseur, turbines, chambre de combustion, etc)…
Une fois ces données obtenues, il faut définir les grandeurs dimensionnelles de tous ces éléments (dia d’entrée et de sortie du compresseur et de la turbine, volume de la chambre etc…)…puis réaliser le design détaillé de ces éléments…
Pour le compresseur, c’est une pièce trop complexe pour être conçue seul tout en ayant un bon rendement.
Heureusement, il existe une immense quantité de turbos de camions ou voiture : il y a bien un rouet qui collera avec mon application ?
Et oui, bingo ! Le calcul de thermo m’a conduit à choisir un compresseur qui débite 0,5 kg/s d’air sous 3 bars : un petit tour sur le site de Garrett (http://www.turbobygarrett.com/turbobyga ... rgers.html) pour choisir un rouet, puis un petit coup de fil chez HP turbo à Gennevilliers, et voilà, le rouet est acheté : c’est un rouet de compresseur de turbo Garrett TA51 (monté sur engins de chantiers).
Pour la turbine HP, j’ai également une la chance de trouver un rouet de réacteur de drone parfaitement adapté au compresseur et commercialisé par une petite société suisse : ça m’a évité de réaliser une pièce de fonderie spécifique (ouf pour le porte monnaie).
Par contre, pour la turbine BP il va falloir l’usiner dans un lopin d’inconel 718…il y en a pour plus de 40 heures d’usinage…heureusement qu’il y a des copains usineurs sympas… !!!
Après, il faut tout concevoir, dessiner, mettre en plans : le corps HP, le corps BP, le réducteur (qui m’a donné des nuits blanches)…c’est un travail énorme !
Allez, voilà pour la partie avant projet. Rendez vous bientôt pour un petit point sur la définition détaillée et le début de la fabrication…
Modifié en dernier par FAUVET Damien le 24 nov. 2009 21:18, modifié 1 fois.
- FAUVET Damien
- Pilote Privé Voltige

- Messages : 313
- Enregistré le : 28 mars 2006 09:47
Re: Un Turbopropulseur pour avions légers...
...Le rouet de compresseur (dia 91mm) et le rouet de turbine (dia 85mm) du corps HP...
- Fichiers joints
-
- DSCF2602.jpg (67.87 Kio) Vu 30378 fois
- FAUVET Damien
- Pilote Privé Voltige

- Messages : 313
- Enregistré le : 28 mars 2006 09:47
Re: Un Turbopropulseur pour avions légers...
...et pour les roulements (toujours du corps HP),dont l'arbre tourne à 99 000tr/min, j'utilise :
- coté compresseur (à gauche): un roulement à billes hybride (billes en nitrure de silicium et bagues en inox) à contacte oblique, de marque GRW (dimension 8x22x7) avec une cage en Peek (matériau synthétique qui tient à 260°C)
- coté turbine (à droite): un roulement à billes hybride, à contacte oblique, sans cage (techonologie assez peu commune..!), toujours GRW (10x22x6)
Ces roulements sont de classe ABEC 9 (classe utilisée dans l'industrie aéronautique...)
- coté compresseur (à gauche): un roulement à billes hybride (billes en nitrure de silicium et bagues en inox) à contacte oblique, de marque GRW (dimension 8x22x7) avec une cage en Peek (matériau synthétique qui tient à 260°C)
- coté turbine (à droite): un roulement à billes hybride, à contacte oblique, sans cage (techonologie assez peu commune..!), toujours GRW (10x22x6)
Ces roulements sont de classe ABEC 9 (classe utilisée dans l'industrie aéronautique...)
- Fichiers joints
-
- DSCF2612.jpg (34.22 Kio) Vu 30365 fois
- Philippe Dejean
- Pilote Professionnel

- Messages : 1102
- Enregistré le : 29 juin 2005 14:15
Re: Un Turbopropulseur pour avions légers...
Bonjour Damien,
Bravo pour tes explications (j'ai l'impression de commencer à comprendre quelquechose au dimensionnement des turbines !)
Tu écris :
Par contre, je suis allé voir celui qui me semblait être le plus gros (GT6041)
Sur le diagramme du compresseur (qui ressemble un peu à celui des hélices) j'ai trouvé que son meilleur rendement pour 3 bars (j'ai supposé qu'il s'agit d'une pression absolue, et donc d'un rapport de 3 par rapport à la pression atmosphérique au sol) donne un débit de 157 lb/min, soit 1,18 kg/s. (voir figure ci dessous)
Alors comme ton moteur a une puissance continue de 50 kW (et 55 kW tomporaires) pour 0,5 kg/s sous 3 bars, et en supposant toutes choses égale par ailleurs (si tant est que celà ait un sens !), il me semble que ce compresseur pourrait être un morceau d'un turbomoteur dont la puissance continue serait de :
50 (kW) x 1,18 (kg/s) / 0,5 (kg/s) = 118 kW soit encore 160 HP
(Et avec un peu de chances, pas loin de 180 HP de puissance maximale au décollage...)
Ai-je râté quelque chose ? (le rendement du compresseur - que j'ai bien du mal à lire sur le diagramme - par exemple ?)
Sinon, est-ce qu'après le 50 kW, un turbomoteur remplaçant les O-360 serait envisageables ?
Bien sûr, même si le rouet du compresseur était bon, on serait encore loin d'un moteur complet...
Bons Vols
Bravo pour tes explications (j'ai l'impression de commencer à comprendre quelquechose au dimensionnement des turbines !)
Tu écris :
Pour voir, je suis allé faire un tour sur le site, et je n'ai pas été capable de retrouver ton TA51.FAUVET Damien a écrit : J’ai donc choisi 3 bars et 950°C...
Pour le compresseur, c’est une pièce trop complexe pour être conçue seul tout en ayant un bon rendement.
Heureusement, il existe une immense quantité de turbos de camions ou voiture : il y a bien un rouet qui collera avec mon application ?
Et oui, bingo ! Le calcul de thermo m’a conduit à choisir un compresseur qui débite 0,5 kg/s d’air sous 3 bars : un petit tour sur le site de Garrett (http://www.turbobygarrett.com/turbobyga ... rgers.html) pour choisir un rouet, puis un petit coup de fil chez HP turbo à Gennevilliers, et voilà, le rouet est acheté : c’est un rouet de compresseur de turbo Garrett TA51 (monté sur engins de chantiers).
Par contre, je suis allé voir celui qui me semblait être le plus gros (GT6041)
Sur le diagramme du compresseur (qui ressemble un peu à celui des hélices) j'ai trouvé que son meilleur rendement pour 3 bars (j'ai supposé qu'il s'agit d'une pression absolue, et donc d'un rapport de 3 par rapport à la pression atmosphérique au sol) donne un débit de 157 lb/min, soit 1,18 kg/s. (voir figure ci dessous)
Alors comme ton moteur a une puissance continue de 50 kW (et 55 kW tomporaires) pour 0,5 kg/s sous 3 bars, et en supposant toutes choses égale par ailleurs (si tant est que celà ait un sens !), il me semble que ce compresseur pourrait être un morceau d'un turbomoteur dont la puissance continue serait de :
50 (kW) x 1,18 (kg/s) / 0,5 (kg/s) = 118 kW soit encore 160 HP
(Et avec un peu de chances, pas loin de 180 HP de puissance maximale au décollage...)
Ai-je râté quelque chose ? (le rendement du compresseur - que j'ai bien du mal à lire sur le diagramme - par exemple ?)
Sinon, est-ce qu'après le 50 kW, un turbomoteur remplaçant les O-360 serait envisageables ?
Bien sûr, même si le rouet du compresseur était bon, on serait encore loin d'un moteur complet...
Bons Vols
- Fichiers joints
-
- 731377-1comp_e_3 bars.jpg (66.78 Kio) Vu 30245 fois
Les fourmis sont des guêpes comme les autres !
- FAUVET Damien
- Pilote Privé Voltige

- Messages : 313
- Enregistré le : 28 mars 2006 09:47
Re: Un Turbopropulseur pour avions légers...
Salut Philippe,
Sur le site de Garrett, il n’y a que les turbocompresseurs série GT : pour voitures de tourisme ou de course. Les pièces de ces turbos (notamment le rouet de compresseur) sont quasi introuvables en France, mais il suffit de trouver un rouet aux dimensions proches pour être sûre d’obtenir les mêmes caractéristiques de fonctionnement. Un paramètre important à respecter pour cela est le « Trim » du compresseur : rapport des racines carrées de sections de sorties / entrées (cela pilote le débit massique, le taux de compression et la marge au pompage)… voir explications sur le site de Garrett : http://www.turbobygarrett.com/turbobyga ... 102.html#a
Oui : la puissance d’un turbomoteur est directement proportionnelle au débit massique (Q) du compresseur, en conservant toutes choses égales par ailleurs.
Sauf que tout est lié : si tu mets un compresseur capable de délivrer 1kg/s d’air, il faudra re-dessiner les rouets de turbine HP et BP (sinon ils sont désadaptés).
Le dimensionnement physique d’un étage de turbine se fait en partant de la chute d’enthalpie (delta H) souhaitée : sous ce mot barbare se cache tout simplement le travail (force appliquée à un appui mobile) demandé à l’étage.
Le delta H = le débit massique / puissance délivrée par l’étage (delta H = Q/P)
Ensuite, en fonction des pressions, densités, chutes de température etc calculés dans le cycle thermo, on arrive à obtenir les angles et hauteurs d’aubes de l’étage. Le travail de l’étage de turbine est obtenu par le produit de la vitesse de rotation du rouet (U en m/s) par la vitesse de déviation du flux (projection de la vitesse du flux sur un axe parallèle au rouet) Delta Vu.
Travail de l’étage = Delta H = U.Delta Vu
En général, on réalise d’abord cet exercice sur le rayon moyen de la turbine (milieu de la hauteur d’aubes).
Après, il faut affiner le tir car la vitesse linéaire U du rouet varie en fonction du rayon (plus faible en pied d’aube, plus élevée en tête d’aube). Et c’est la ou ça se complique, car il faut dimensionner l’aubage à chute d’enthalpie constante sur toute la hauteur d’aube, tout en tenant compte « de l’équilibre radial de l’écoulement » (composante giratoire du flux qui induit un gradient de vitesses entraînant un gradient de pressions…) : cela aboutit à des aubes vrillées.
Je me suis fait aider d’un expert pour réaliser ce travail…
Sur le site de Garrett, il n’y a que les turbocompresseurs série GT : pour voitures de tourisme ou de course. Les pièces de ces turbos (notamment le rouet de compresseur) sont quasi introuvables en France, mais il suffit de trouver un rouet aux dimensions proches pour être sûre d’obtenir les mêmes caractéristiques de fonctionnement. Un paramètre important à respecter pour cela est le « Trim » du compresseur : rapport des racines carrées de sections de sorties / entrées (cela pilote le débit massique, le taux de compression et la marge au pompage)… voir explications sur le site de Garrett : http://www.turbobygarrett.com/turbobyga ... 102.html#a
Oui : la puissance d’un turbomoteur est directement proportionnelle au débit massique (Q) du compresseur, en conservant toutes choses égales par ailleurs.
Sauf que tout est lié : si tu mets un compresseur capable de délivrer 1kg/s d’air, il faudra re-dessiner les rouets de turbine HP et BP (sinon ils sont désadaptés).
Le dimensionnement physique d’un étage de turbine se fait en partant de la chute d’enthalpie (delta H) souhaitée : sous ce mot barbare se cache tout simplement le travail (force appliquée à un appui mobile) demandé à l’étage.
Le delta H = le débit massique / puissance délivrée par l’étage (delta H = Q/P)
Ensuite, en fonction des pressions, densités, chutes de température etc calculés dans le cycle thermo, on arrive à obtenir les angles et hauteurs d’aubes de l’étage. Le travail de l’étage de turbine est obtenu par le produit de la vitesse de rotation du rouet (U en m/s) par la vitesse de déviation du flux (projection de la vitesse du flux sur un axe parallèle au rouet) Delta Vu.
Travail de l’étage = Delta H = U.Delta Vu
En général, on réalise d’abord cet exercice sur le rayon moyen de la turbine (milieu de la hauteur d’aubes).
Après, il faut affiner le tir car la vitesse linéaire U du rouet varie en fonction du rayon (plus faible en pied d’aube, plus élevée en tête d’aube). Et c’est la ou ça se complique, car il faut dimensionner l’aubage à chute d’enthalpie constante sur toute la hauteur d’aube, tout en tenant compte « de l’équilibre radial de l’écoulement » (composante giratoire du flux qui induit un gradient de vitesses entraînant un gradient de pressions…) : cela aboutit à des aubes vrillées.
Je me suis fait aider d’un expert pour réaliser ce travail…
- FAUVET Damien
- Pilote Privé Voltige

- Messages : 313
- Enregistré le : 28 mars 2006 09:47
Re: Un Turbopropulseur pour avions légers...
Bonjour à tous,
Hier, j’ai reçu l’hélice du turbopropulseur ! Une belle pièce de 1,74 m de diamètre…
Hier, j’ai reçu l’hélice du turbopropulseur ! Une belle pièce de 1,74 m de diamètre…
- Fichiers joints
-
- Hélice.JPG (62.17 Kio) Vu 30227 fois
- FAUVET Damien
- Pilote Privé Voltige

- Messages : 313
- Enregistré le : 28 mars 2006 09:47
Re: Un Turbopropulseur pour avions légers...
En attendant les photos de mon turboprop dont le corps HS est en cours de montage (les pièces du corps BP et du réducteur sont en cours d'usinage), voici 3 photos du premier (et dernier à ma connaissance) avion ayant volé avec des turboprops à cycle régénératif, en 1945 !
Il s’agit d’un Avro Lincoln, dont les 2 moteurs (à pistons) extérieurs ont été remplacés par des Bristol Theseus de 2200ch chacun. Les échangeurs, d’un rendement très modeste de 40%, permettaient une économie de carburant de 150 gal/h par rapport au même turboprop sans échangeur.
L'Emeraude à turbine régénérative, c'est pour bientôt (j'espère)...
Il s’agit d’un Avro Lincoln, dont les 2 moteurs (à pistons) extérieurs ont été remplacés par des Bristol Theseus de 2200ch chacun. Les échangeurs, d’un rendement très modeste de 40%, permettaient une économie de carburant de 150 gal/h par rapport au même turboprop sans échangeur.
L'Emeraude à turbine régénérative, c'est pour bientôt (j'espère)...
- Fichiers joints
-
- Avro Lincoln.jpg (39.12 Kio) Vu 28831 fois
-
- Theseus.jpg (247.33 Kio) Vu 28934 fois
-
- Theseus 2.jpg (133.62 Kio) Vu 28841 fois
- FAUVET Damien
- Pilote Privé Voltige

- Messages : 313
- Enregistré le : 28 mars 2006 09:47
Re: Un Turbopropulseur pour avions légers...
Bonjour à tous,
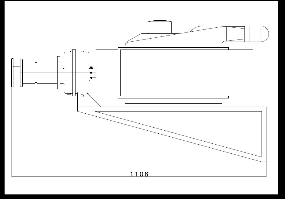
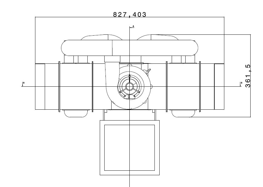
En attendant des photos du turboprop en cours de montage (mon appareil photo à rendu l’âme cet été), voici des vues 3D et un plan de définition coté du prototype dans sa version définitive (cela permettra à ceux qui le souhaite de faire une étude d’intégration sous un capot moteur… d’Emeraude par ex).
Les dimensions du moteur sont proches d’un Continental C90 (sauf pour la longueur, mais il y a un couplemètre derrière l’hélice, ce qui rallonge de 100mm environ) :
C90 :
Largeur 801mm
Longueur 720mm
Hauteur 588mm
Turboprop :
Largeur 820mm
Longueur 1116mm
Hauteur 361mm
Masse C90 : 88 kg avec équipements.
Masse du Turboprop complet : 55kg
Cs objective pour le proto : 280 - 300 g/kwh
A bientôt pour des nouvelles fraiches !
En attendant des photos du turboprop en cours de montage (mon appareil photo à rendu l’âme cet été), voici des vues 3D et un plan de définition coté du prototype dans sa version définitive (cela permettra à ceux qui le souhaite de faire une étude d’intégration sous un capot moteur… d’Emeraude par ex).
Les dimensions du moteur sont proches d’un Continental C90 (sauf pour la longueur, mais il y a un couplemètre derrière l’hélice, ce qui rallonge de 100mm environ) :
C90 :
Largeur 801mm
Longueur 720mm
Hauteur 588mm
Turboprop :
Largeur 820mm
Longueur 1116mm
Hauteur 361mm
Masse C90 : 88 kg avec équipements.
Masse du Turboprop complet : 55kg
Cs objective pour le proto : 280 - 300 g/kwh
A bientôt pour des nouvelles fraiches !
- Fichiers joints
-
- MRGT 1.jpg (187.36 Kio) Vu 28690 fois
-
- MRGT 2.jpg (185.86 Kio) Vu 28665 fois
-
- MRGT 4.jpg (40.56 Kio) Vu 28670 fois
-
- MRGT 5.jpg (39.47 Kio) Vu 28655 fois
-
- MRGT 6.jpg (43.62 Kio) Vu 28673 fois
Modifié en dernier par FAUVET Damien le 11 août 2010 09:07, modifié 3 fois.
- FAUVET Damien
- Pilote Privé Voltige

- Messages : 313
- Enregistré le : 28 mars 2006 09:47
Re: Un Turbopropulseur pour avions légers...
Et voici les entrailles de la Bête :
- Fichiers joints
-
- MRGT 7.jpg (78.46 Kio) Vu 28678 fois
Re: Un Turbopropulseur pour avions légers...
Merci Damien
Au cas où, j'ai une place sous mon capot

Au cas où, j'ai une place sous mon capot
Un avion Piel, sinon rien ....
- Philippe Dejean
- Pilote Professionnel

- Messages : 1102
- Enregistré le : 29 juin 2005 14:15
Re: Un Turbopropulseur pour avions légers...
Bonjour Damien,
Effectivement, tu as bien fait de te concenter sur l'essentiel plutôt que sur le remplacement de l'appareil photo !
Je suppose que les 280 à 300 g/kWh concernent du Jet A1, ce qui correspondrait à un rendement énergétique respectivement de 30% et 28%, ce qui est très bien pour un proto, et encore intéressant pour la série, même si je pense que le grand marché des stationnaire ne basculera pas du diesel à la turbine à mois de 35%.
Si le ne peux qu'applaudir des 2 mains pour la masse (qui monte qui monte, mais 55 kg, c'est toujours un atout appréciable : c'est le poids du HKS700 qui est limité à 60 HP, pour une puissance en continu d'un C90), je suis plus circonspect quand à ton bâti-moteur... Il y a certainement mieux à faire, mais ce n'est sûrement pas ton problème principal !
Bravo !
Tu apporte quelque chose à montrer à Mortagne ?
Bons Vols
Philippe Dejean
Effectivement, tu as bien fait de te concenter sur l'essentiel plutôt que sur le remplacement de l'appareil photo !
Je suppose que les 280 à 300 g/kWh concernent du Jet A1, ce qui correspondrait à un rendement énergétique respectivement de 30% et 28%, ce qui est très bien pour un proto, et encore intéressant pour la série, même si je pense que le grand marché des stationnaire ne basculera pas du diesel à la turbine à mois de 35%.
Si le ne peux qu'applaudir des 2 mains pour la masse (qui monte qui monte, mais 55 kg, c'est toujours un atout appréciable : c'est le poids du HKS700 qui est limité à 60 HP, pour une puissance en continu d'un C90), je suis plus circonspect quand à ton bâti-moteur... Il y a certainement mieux à faire, mais ce n'est sûrement pas ton problème principal !
Bravo !
Tu apporte quelque chose à montrer à Mortagne ?
Bons Vols
Philippe Dejean
Les fourmis sont des guêpes comme les autres !
- FAUVET Damien
- Pilote Privé Voltige

- Messages : 313
- Enregistré le : 28 mars 2006 09:47
Re: Un Turbopropulseur pour avions légers...
Laurent, aurais-je trouvé un avion / pilote d’essai suite à ta réponse !!!???
Philippe, rappel toi de notre discussion :
- La masse qui monte : c’est volontaire (échangeurs plus gros) car un moteur trop léger ne serait pas adapté à une cellule existante pour remplacer un moteur à piston => et donc exit le marché du rétrofit…
- 55kg, c’est la masse du HKS700 : oui, un beau petit bicylindre, avec un potentiel de… 800 h !!!
Le turboprop a été dimensionné avec des pratiques de conception proches d’un réacteur d’avion de ligne civil : 10 000h pour les rouets, durée de vie quasi-infini pour le réducteur => cela dans le but d’aboutir à un moteur super fiable, pour une TBO de 3000 à 5000h selon application.
En effet, une TBO doublée par rapport à un Lyco / Conti, c’est un coût d’exploitation d’autant réduit si le prix de vente est comparable… sans parler du fonctionnement avec des carburants moins chers.
Pour ce qui est du rendement, un bon nombre de micro-turbines atteignent les 35%, pour un cycle comparable au mien : 950°C de TET, P2/P1 de 3 à 5 (pour mémoire, la turbine japonaise CGT302 de IHI a atteint 42,1% durant 2000h en 1999 : TET 1200°C).
Mais pour un proto, il y a toujours une phase d’optimisation (notamment sur les nombreuses veines de transfert entre compresseur, échangeurs, chambre, tuyères…).
Le but de mon moteur est belle un bien de proposer une solution alternative vraiment fiable pour réduire SIGNIFICATIVEMENT les coûts d’exploitation de nos avions :
- prix de vente compétitif (pas 70 000€ comme l’Austro Engine)
- TBO de plus de 2000h (pas 300h entre changement de réducteur comme chez Centurion !)
- véritable capacité poly-carburant (diesel, jetA1, AVGAS, bio fuel, etc…)
- Gain de masse important (20 à 30 % de moins qu’un moteur Essence et 50 % de moins qu’un diesel)
Pour le bâti, je suis d’accord, je vais revoir ma copie : bâti interchangeable avec celui d’un C90.
Je ne pourrai pas venir avec le moteur sur banc cette année (le corps HP sera monté, mais il doit partir chez Jetmax, en Suisse, pour l’équilibrage final du rotor)… mais l’année prochaine…
Philippe, rappel toi de notre discussion :
- La masse qui monte : c’est volontaire (échangeurs plus gros) car un moteur trop léger ne serait pas adapté à une cellule existante pour remplacer un moteur à piston => et donc exit le marché du rétrofit…
- 55kg, c’est la masse du HKS700 : oui, un beau petit bicylindre, avec un potentiel de… 800 h !!!
Le turboprop a été dimensionné avec des pratiques de conception proches d’un réacteur d’avion de ligne civil : 10 000h pour les rouets, durée de vie quasi-infini pour le réducteur => cela dans le but d’aboutir à un moteur super fiable, pour une TBO de 3000 à 5000h selon application.
En effet, une TBO doublée par rapport à un Lyco / Conti, c’est un coût d’exploitation d’autant réduit si le prix de vente est comparable… sans parler du fonctionnement avec des carburants moins chers.
Pour ce qui est du rendement, un bon nombre de micro-turbines atteignent les 35%, pour un cycle comparable au mien : 950°C de TET, P2/P1 de 3 à 5 (pour mémoire, la turbine japonaise CGT302 de IHI a atteint 42,1% durant 2000h en 1999 : TET 1200°C).
Mais pour un proto, il y a toujours une phase d’optimisation (notamment sur les nombreuses veines de transfert entre compresseur, échangeurs, chambre, tuyères…).
Le but de mon moteur est belle un bien de proposer une solution alternative vraiment fiable pour réduire SIGNIFICATIVEMENT les coûts d’exploitation de nos avions :
- prix de vente compétitif (pas 70 000€ comme l’Austro Engine)
- TBO de plus de 2000h (pas 300h entre changement de réducteur comme chez Centurion !)
- véritable capacité poly-carburant (diesel, jetA1, AVGAS, bio fuel, etc…)
- Gain de masse important (20 à 30 % de moins qu’un moteur Essence et 50 % de moins qu’un diesel)
Pour le bâti, je suis d’accord, je vais revoir ma copie : bâti interchangeable avec celui d’un C90.
Je ne pourrai pas venir avec le moteur sur banc cette année (le corps HP sera monté, mais il doit partir chez Jetmax, en Suisse, pour l’équilibrage final du rotor)… mais l’année prochaine…
- Philippe Dejean
- Pilote Professionnel

- Messages : 1102
- Enregistré le : 29 juin 2005 14:15
Re: Un Turbopropulseur pour avions légers...
Bonjour Damien,
Excuse moi si mon dernier message t'a fait l'effet du poil à gratter, tu sais à quel point je pense du bien de ton projet.
Effectivement, les 55 kg te permettent de rentrer de plein pied dans le marche du rétrofit des avions motorisés par les Rotax 582 et 912-80 HP, des VW 1600 à 2000 des Continental 65 et 90 CV, voire même du O-200 et en poussant un peu plus loin le bouchon (ou la Température Entrée Turbine), le Potez 105 CV : C'est à dire plus de la moitié des avions de construction amateur, et des ULM. Et comme le CP le plus construit est le CP30 et ses dérivés directs, plus de la moitié des avions Piel.
Je n'ai aucun intéret particulier pour le HKS 700, mais je pense que pour l'amateur moyen, 800 heures de potentiel, c'est déjà pas mal d'années de pratique, et qu'un gain de 22 kg par rapport à un VW1600 ou 1700 allégé de 77 kg, c'est déjà pas mal (et envisageable pour le projet de CP20 ULM). Maintenant, si ta turbine est prête au moment de motoriser le proto...
Dans cette optique, de rétrofit, ton design est fort intéressant. Peut-être que par la suite, sera-t-il possible de réduire un peu la largeur du moteur (faire plus compact derrière l'arbre hélice en déplaçant les échangeurs en dessous ?) surtout pour les monoplaces...
D'après ce que j'ai pu voir, ça raccoucierait et simplifierait aussi un peu les tuyaux, mais il est clair que ce sont des considérations qui viendront après que le premier proto ait volé...
Bons Vols
Philippe Dejean
Excuse moi si mon dernier message t'a fait l'effet du poil à gratter, tu sais à quel point je pense du bien de ton projet.
Effectivement, les 55 kg te permettent de rentrer de plein pied dans le marche du rétrofit des avions motorisés par les Rotax 582 et 912-80 HP, des VW 1600 à 2000 des Continental 65 et 90 CV, voire même du O-200 et en poussant un peu plus loin le bouchon (ou la Température Entrée Turbine), le Potez 105 CV : C'est à dire plus de la moitié des avions de construction amateur, et des ULM. Et comme le CP le plus construit est le CP30 et ses dérivés directs, plus de la moitié des avions Piel.
Je n'ai aucun intéret particulier pour le HKS 700, mais je pense que pour l'amateur moyen, 800 heures de potentiel, c'est déjà pas mal d'années de pratique, et qu'un gain de 22 kg par rapport à un VW1600 ou 1700 allégé de 77 kg, c'est déjà pas mal (et envisageable pour le projet de CP20 ULM). Maintenant, si ta turbine est prête au moment de motoriser le proto...
Dans cette optique, de rétrofit, ton design est fort intéressant. Peut-être que par la suite, sera-t-il possible de réduire un peu la largeur du moteur (faire plus compact derrière l'arbre hélice en déplaçant les échangeurs en dessous ?) surtout pour les monoplaces...
D'après ce que j'ai pu voir, ça raccoucierait et simplifierait aussi un peu les tuyaux, mais il est clair que ce sont des considérations qui viendront après que le premier proto ait volé...
Bons Vols
Philippe Dejean
Modifié en dernier par Philippe Dejean le 15 août 2010 14:12, modifié 1 fois.
Les fourmis sont des guêpes comme les autres !
- FAUVET Damien
- Pilote Privé Voltige

- Messages : 313
- Enregistré le : 28 mars 2006 09:47
Re: Un Turbopropulseur pour avions légers...
Non, pas du tout, un forum, c'est fait pour çaPhilippe Dejean a écrit :
Excuse moi si mon dernier message t'a fait l'effet du poil à gratter.
Philippe Dejean
Pour ce qui est du potentiel, 800 h, ça peut convenir à certains CNRA qui ne volent pas beaucoup, mais certainement pas à un aéroclub (800h = 1 ou 2 ans d'exploitation), sans parler d'une application type drone de surveillance (marché porteur s'il en est...).